国产电子分频落地式音箱中的极品楚翘:天逸HI-END童笛一号音箱介绍


天逸“童笛一号”音箱是专门为电子分频前后级HI-END功放AD-8PRE/AD-8A度身订制的三分频四单元高档电子分音落地式音箱,该音箱是严格按照天逸最高档次的旗舰音箱标准来铸造的:箱体高大威猛、体重如山、饰以进口真红酸枝木,造型端庄大气,高贵典雅;绝对符合高大上的现代审美观!


1.jpg


2.jpg


采用海外名厂进口喇叭单元,血统高贵;工艺精湛;从天逸设计师处得知 “童笛一号”的喇叭单元来自台湾:高音单元采用28mm音圈、天然精品蚕丝振膜、无共振后腔设计,其高端可平滑响应至28KHz。


3.jpg


7寸的中音喇叭单元采用42mm大音圈、掺有Kevlar合成纤维的皱皮松压纸盆、超低损耗橡胶悬边及其它多项专利设计及超强永磁体。Kevlar是美国杜邦公司研制出一种新型复合材料聚对苯二甲酰对苯二胺芳纶复合材料。Kevlar纤维是石棉的2到11倍强度;是高强度石墨的1.6倍强度;是玻璃纤维的3倍强度;是相同重量下钢纤维的5倍强度。且Kevlar品牌芳纶纤维密度非常低,几乎只有石棉密度的一半。而却拥有很高的破裂延伸度,除了高强度外,更有以下好处:热稳定性,Kevlar品牌纤维在热试验中(TGA)非常稳定,直至600℃才有明显的重量丧失;低侵蚀性,具有高含量的Kevlar品牌纤维试片,表现出比半金属片低的侵蚀性;耐磨性,与石棉纤维制成的刹车片比较,在Kevlar品牌纤维开松良好的状态下,体现出非常低的磨耗性。正是由于Kevlar品牌纤维有如上诸多优点,目前Kevlar品牌纤维被广泛应用于航空航天事业,船舶制造业及摩擦材料中。运用于喇叭单元振盆,使得该喇叭音色温暖醇厚、自然甜美、柔和圆融,且失真低、瞬态好。音乐味突出,有很好的听感!


4.jpg


而双低音单元是8寸皱皮仔纸盆低音单元,进一步了解:得知该喇叭单元设计师曾长期服务于欧洲SCAN-SPEAK的单元研发部门,该系列喇叭就是他在SCAN-SPEAK的Classic系列中闻名遐尔的D2905/950000 高音、18W/8545K00中低音基础上经长时间地积累和试听,厚积薄发改进而得的更高档次,音质音色更油润醇厚的高档中低音单元喇叭。


5.jpg


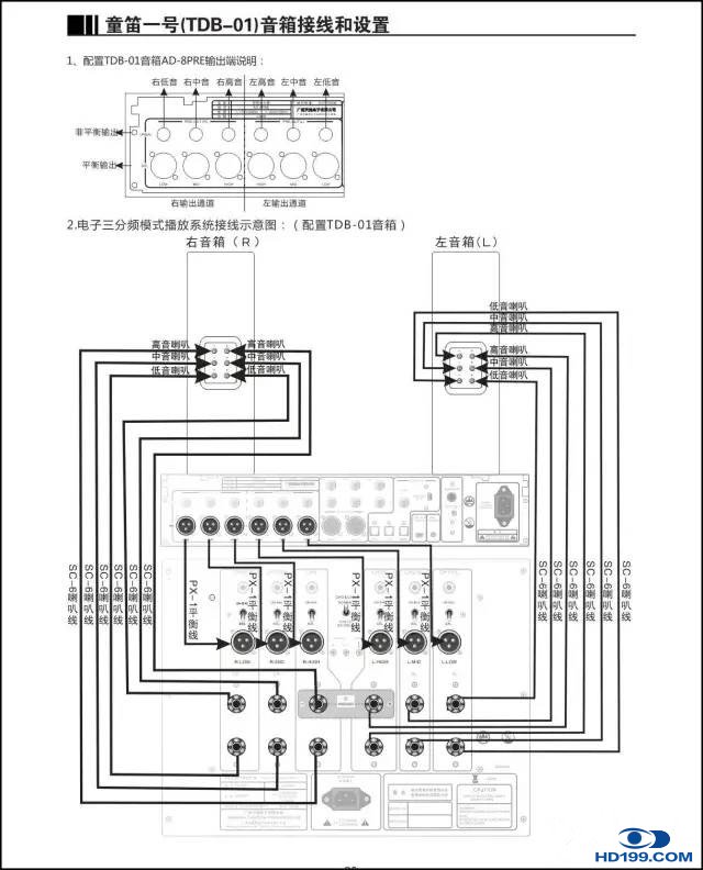
据天逸的总设计师告知,天逸一直在致力打造一套以声音的高保真终极利器-----电子分音技术为核心的顶级旗舰音响,来提升广大骨灰级发烧友对天逸的品牌含金量。因而自天逸的AD-8PRE/AD-8PA电子分频前后级HI-END功放开始设计之时,就开始和童笛9号书架箱同步设计这款专门为其搭配的电子分音三分频四单元无LC分音器的高档HI-FI落地式音箱童笛一号。由于功放的电子分音必须依赖它所对应的音箱箱体及自身喇叭单元的品质和频响曲线来精细调整设置,其间弥时费力,颇费周折,又数度因种种原因推迟研发和投产。设计师因此在数年里更换过多套名气颇响的单元,每次都将进行反复的折腾试听,几度校音、调整、改进,再试听、再改进,终于选定了这套四单元的高、中、低音喇叭单元。


6.jpg


7.jpg


8.jpg


该音箱在和AD-8PRE/AD-8PA功放做实际配接时,用家只需直接在功放的菜单中调用加载已经固化存储的“童笛一号”音箱的预存频响曲线,就可以得到非常理想的声音重放效果:音响效果可谓大气磅礴,音场极其辽阔深远!音质细腻通透,鲜活圆融,尤其中频醇厚、低频下潜极深、弹性极佳,并具有相当高贵和浓郁的音乐味和极好的平衡感。当然,该箱特有的圆润、醇厚味以及澄澈的透明感、空气感、空间感等都得到了极好的表现。


9.jpg


由于该音箱是专门为天逸顶级旗舰电子分音功放度生定制的高档旗舰音箱,所以在箱体的选材用料和工艺制作上,均是完全按照顶级产品的要求来精心设计加工的。箱体板材均为厚达25mm的高密度纤维板材,外饰进口稀有珍贵的红酸枝木皮,并以亚光漆经过多层人工打磨涂覆成低调尊贵的的红木原色,非常的典雅大器。放在具有中国风的视听空间,立马会令你的生活空间蓬荜生辉!


10.jpg


该音箱的电器指标如下:

频率范围:26Hz---20KHz

灵敏度:高音为90dB;中音为88dB;低音为88dB;

额定阻抗:高音为8欧;中音为8欧;低音为4欧;

功率:高音:15 W / 中音:100 W / 低音:220W

尺寸:290 mm×1246 mm×412 mm

净重:96公斤/对


11.jpg


值得一提的是,该箱的灵敏度非常理想:高音单元为90db、中音和低音单元都为88db,以至于高音非常美艳、中频音乐味非常厚实浓郁,低音更是量感十足,并具有很高的功率承受能力,能轻易经受诸如柴可夫斯基1812的超强炮声和动态庞大无匹的斯托科夫斯基《狂想曲》之类的考验而且失真极小。


欣赏AD-8PRE/AD-8A搭配童笛一号音箱,的确是一种非常难得的音乐体验和享受,它的声音高贵、圆融,柔和绵密,正如窖藏百年的茅台美酒,开声就有芳香四溢、醇厚浓郁的音乐味扑面而来.....


音质不仅高贵华丽、细节表现巨细无遗。乐器的泛音和空气感也非常好,有一种入耳即溶的圆润和甜美,让人一听倾心、欲罢不能,就只能这样一首接一首的听下去......